HVAC Ducting Modelling

Precision 3D modelling for HVAC systems including duct routing, equipment layout, and fabrication-ready drawings using Revit.

What We Offer

HVAC Engineering Services

Revit Modelling Services

Project Snapshots

HVAC HAP software snapshot
HAP CALCULATION
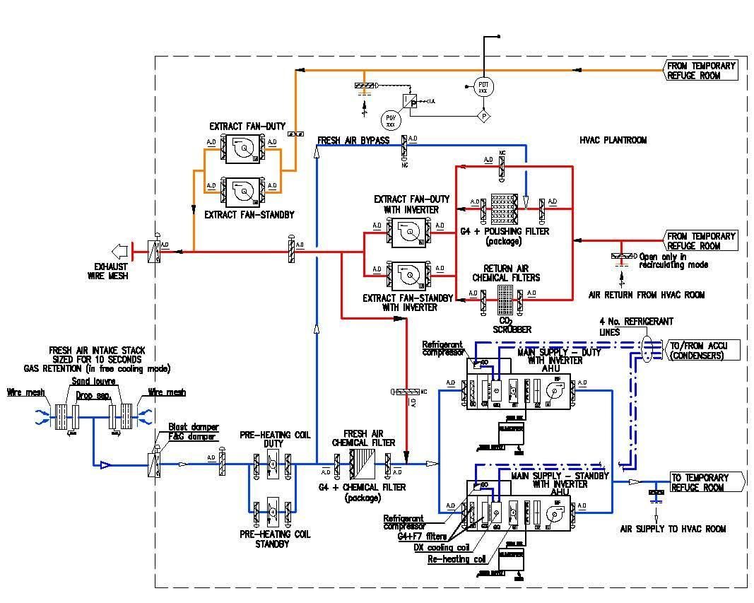
HVAC system rendering
HVAC REVIT MODEL
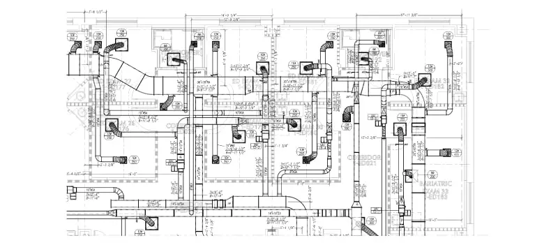
Ducting model example
SHOP DRAWING
Revit MEP coordination
DUCT & ID DRAWING
Fabrication drawing sample
FABRICATION MODEL
Return to Service Page